Öne Çıkan Özellikler

Bağlantı

Analog

Tip

Askı Tipi (S Tipi)

Uygulamalar

Vinç Kantarları, Asılı Tartım Sistemleri, Endüstriyel Prosesler, Test Makineleri

Sertifika

OIML, ATEX

Materyal

Paslanmaz Çelik

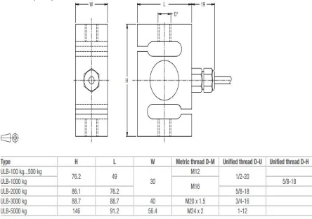
Maksimum Kapasite

100 kg, 200 kg, 500 kg, 1 t, 2 t, 3 t, 5 t

Koruma Sınıfı

IP67

certificates
certificates
certificates
certificates
certificates
certificates

Teknik Özellikler

technic