Öne Çıkan Özellikler

Bağlantı

Analog

Tip

Lama Tipi

Uygulamalar

Yer Kantarları, Palet Kantarı, Mobil Tartım, Tank & Silo Tartımı, Asılı Tartım Sistemleri, Kontrol Tartımları, Konveyör Kantarı, Endüstriyel Prosesler, Paketleme & Dolum

Sertifika

OIML, ATEX

Materyal

Paslanmaz Çelik

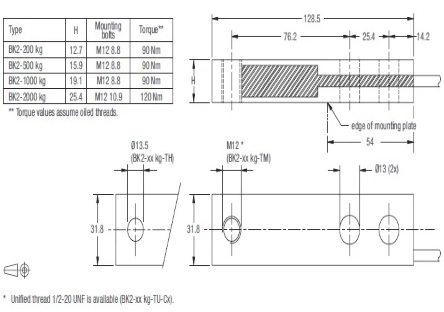
Maksimum Kapasite

200 kg, 500 kg, 1 t, 2 t

Koruma Sınıfı

IP67

Bağlantı Şekli

Metrik

certificates
certificates
certificates
certificates
certificates
certificates

Teknik Özellikler

technic