Gelișmiș elektronik tasarımı ile doğru ve güvenilir ölçüm için yüksek çözünürlüklü BR030SD baskı tipi dijital yük hücresi, özellikle araç kantarları ve yüksek kapasiteli endüstriyel tartım uygulamalarında yüksek hassasiyet yanında, kolay kurulum ve hızlı bakım gibi servis avantajları sağlar.
Dijital teknolojisi sayesinde yük hücresinin numarası tartım indikatörü göstergesinde belirtilerek tüm ayarlar doğrudan cihaz tușları ile yapılır. Sistemdeki olası bir yük hücresi bozukluğunda tartım engellenir. Dijital yük hücresine ait hata kodu yönlendirmesiyle, terazi hatasının kolay ve hızlı analiz edilmesini sağlar.
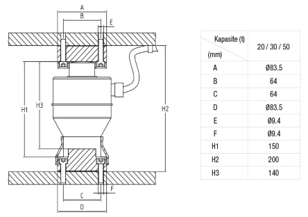
BR030SD hermetik sızdırmaz ve IP68 koruma sınıfındaki paslanmaz çelik yapıları, baskı kuvvetinin en ideal yük aktarımını sağlayan paslanmaz çelik üst ve alt montaj parçaları ile en zorlu endüstriyel ortamlarda dahi güvenle kullanılabilirler.

•Dahili hibrit mikroprosesörlü yapı ile analog yük hücrelerinden daha yüksek hassasiyet

•Hermetik sızdırmaz, IP68 koruma sınıfında paslanmaz çelik yapı ile dayanıklılık

•Ağır hizmet koşullarına uygun, paslanmaz çelik örgülü, elektriksel etkilere karşı çift ekranlı kablolar

•Kolay ve hızlı arıza bulma, sorunların anında tespit edilmesini ve hızlıca giderilmesini sağlayarak servis maliyetlerini düşürür

•Sinyal Bozucu Etkiler
•Sıcaklık, voltaj değişimleri, radyo dalgaları gibi elektromanyetik etkiler elimine edilmiştir

•Bağlantı kutusu, ayar trimpodu, direnç vs. gibi hata kaynağı enstrümanlar içermez. Köşe ayarı ve kalibrasyon elektronik olarak yapılır

•100-240 VAC beslemeli modeller için LPK24 yıldırım ve voltaj koruma kiti standarttır

•BLDC RS485 güvenli dijital haberleşme ile analog terazilerde görülebilen sahtekarlıkları yapmak imkânsız

•Endüstriyel uygulamalarda, eş üretim özelliği ile yük hücresi değişimi sonrası kalibrasyon ve ayar gerektirmez

•Avrupa / OIML onaylı Baykon ağırlık gösterge veya terminalleri ile prosesinize uygun çözümle